|
T47H-16C或Q浮球式蒸汽疏水調節閥, 適用于電站、化工、制藥、造紙等行業具有加熱器的工業部門,用于除氧汽水箱水位的調節,有效控制加熱器中的水量多少的必須設備。
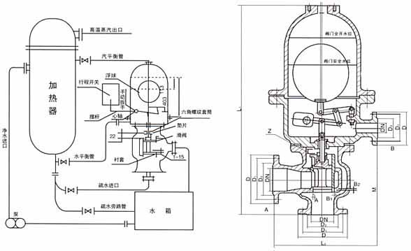
【 結構特點及工作原理 】
1、利用凝結水液位的變化而使浮球上升和下降,也可以手柄操作,從而驅動下部的啟閉裝置,開啟和關閉,實現排水阻氣的功能。2、該閥隨著凝結水液面上升,當浮球升到距罩蓋底平面403mm時,閥門全開使冷凝結水大量排入水箱。當浮球下降113毫米后,閥門全關,冷凝水不能流出,使浮球穩定的限制在113-403毫米的空間范圍內變化,從而使閥門達到只能排放空氣和水及高溫冷凝水,而阻止蒸汽泄漏的優越性。 3、外形尺寸較大,適用于較大背壓力且不會泄漏蒸汽,排出的凝結水是接近蒸汽壓力的飽和水,故有利于提高本閥門的設備熱效率和二次蒸汽利用的節能特點。
【 結構圖 】

【 主要外形尺寸 】
|
產品型號 |
公稱通徑 DN(mm) |
主要外形尺寸 |
連接尺寸 |
|
長 Long |
寬 Wide |
高 High |
L1 |
L2 |
M |
A-D |
D1 |
D2 |
b |
z-φd |
DN |
B-D |
D1 |
D2 |
b |
z-φd |
|
T47H-16C |
40 |
460 |
540 |
964 |
160 |
240 |
385 |
145 |
110 |
85 |
18 |
4×18 |
40 |
145 |
110 |
85 |
18 |
4×18 |
|
50 |
160 |
125 |
100 |
20 |
4×18 |
|
80 |
195 |
160 |
135 |
22 |
4×18 |
|
100 |
215 |
180 |
155 |
25 |
8×18 |
|
150 |
470 |
560 |
980 |
280 |
240 |
210 |
30 |
8×23 |
|