產品展示
您現在的位置: 首頁--產品展示
產品描述
|
|
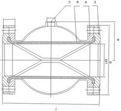
A.閥體
B.橡膠管套
C.控制流體(水或氣)入口
E.連接法蘭
*手動/自動控制:外加三通手動閥或三通電磁
閥控制壓縮空氣或壓力水進入閥體
工作原理:
管夾閥是利用閥體同橡膠管套間的水壓或氣壓
使管套變形合攏將流體截斷。
特點
l無壓力損失、無堵塞、無泄露,防水錘沖擊
l特別適用于含顆粒的液——固及氣——固二相流
l橡膠管套帶有纖維增強結構,耐磨、抗疲勞
技術參數
l閥體:鑄鐵DN25~300 鑄鋁DN25~300 鑄鋼DN25~300
l法蘭聯接:鑄鐵DN25~300,316LDN40~200
l管套材質及溫度范圍:
天然橡膠-5~80℃
三元乙丙膠-5~120℃
l食品級:食品級天然橡膠管套
控制介質:壓縮空氣或壓力水
控制附件:手動-三通手動閥
自動-三通電動閥
*僅用于鑄鐵法蘭 **可選ANSI
法蘭標準 | |||||||||||||||||||||||||||||||||||||||||||||||||||||||||||||||||||||||||||||||||
其他相關產品
|
|
|





